-
Posts
121 -
Joined
-
Last visited
Content Type
Profiles
Forums
Gallery
Store
Everything posted by BlackBoot
-
i cleaned all the contacts and put my battery on a charger for a couple of days. then tightened the belt and put in the charged battery. belt still squeals sometimes under load when cold. yeah, the resistance in the wires is probably the main issue, and if i don't fix it i'll keep burning out alternators. but for now it runs good, it's parked for the winter or until i get money, or first snowfall! also removed the muffler, great fun!
-
My 88' XT6 has these problems; - battery shows good voltage with tester, but dash shows lower voltage, I cleaned all contacts. - alternator gets really hot fast. - belt squeals every time when starting, the belt tensioner is stripped, where can I get a new one? - fan relays are all messed up, I have to put a fuse in the relay socket to jump the fan to run and pull the fuse out when I park. - air vents will not switch. - Tachometer sometimes is way off too high. - cybrid steering is shitty at low rpm, could that be the brushes in the motor, or low current from the alternator, belt also squeals when taking slow tight turns sometimes. any gurus with advice out there? I'm in the PNW anyone local?
-
Still working on it, and still finding and breaking more, relays are still bad, have to check temp sensor, but will probably just end up by-passing it all, so I can have manual dual fan control. alternator near dead, I have another but don't know the state of it. where can i get a new belt tensioner, this one is all messed up.
- 13 replies
-
Rear Disk Brake conversion on 85 Brat
BlackBoot replied to Rbeyerbubba's topic in Old Gen.: 80's GL/DL/XT/Loyales...
Think I'l just pimp this car but leave the body bondo and primer. -
Rear Disk Brake conversion on 85 Brat
BlackBoot replied to Rbeyerbubba's topic in Old Gen.: 80's GL/DL/XT/Loyales...
I just put 18" wheels on my 88 XT6 now brakes look small and poop! What can I bolt on, with minimal drilling ect? -
Arghh!! big wheels show shitty brakes! This must be rectified.
- 13 replies
-
never ended up going, wan not feeling up to it. but i did sell my Loyale AWD and DR and bought some sweet wheels pictures to come. so i have now sold 2 of my 3 Subes, more happy owners out there.
- 13 replies
-
The Awesome Older Generation Picture Thread
BlackBoot replied to 6 Star's topic in Old Gen.: 80's GL/DL/XT/Loyales...
not possible, frame less windows on the doors. -
Sealing Ea82 valve covers
BlackBoot replied to Skysm182's topic in Old Gen.: 80's GL/DL/XT/Loyales...
the seals and grommets are made to work with regular motor oil , if you put an adhesive sealant on them then it affects the way things move when heating and cooling, causing binding and leaks. keep things smooth clean and lubed! things that men find desirable on cars and... -
Sealing Ea82 valve covers
BlackBoot replied to Skysm182's topic in Old Gen.: 80's GL/DL/XT/Loyales...
I use petroleum jelly, vaseline -
My XT6 came with the swap done, but it looked too high, i checked the rear struts and found they are FWD so 2" taller than AWD, and found the receipt from the swap in the records that came with the car, says forester fronts, 2" higher than Impreza. It has the same ground clearance as my AWD wagon 6 1/2". 2 1/2" between tire and wheel well in rear, and 3" in front. I'll leave it for now and have some fun rallying, but once it"s painted and has nice wheels I'll lower it.
-
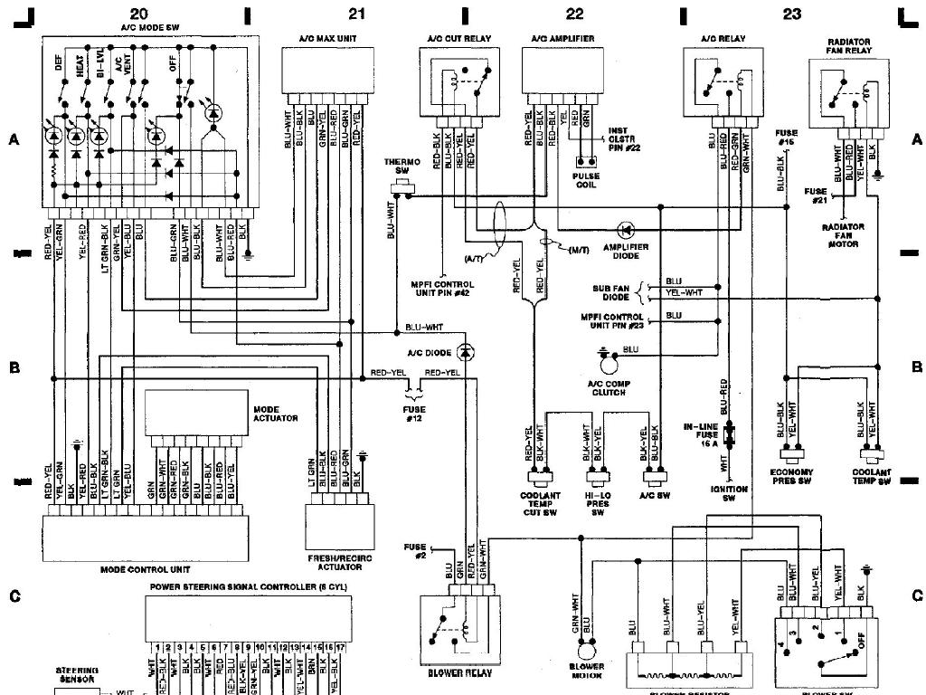
Thanks, the relays I had around were from a Legacy, I had to swap the pinout on the connectors to work, or did the last guy swap it wrong? I followed everything according to the wiring diagram, and I think the rad fan relay is ok now but the ac is all busted anyway so I'm not worried about that. I will be wiring a manual control switch for the AC sub fan, for extra cooling. actuator for the vents still not responding. what is the other fuse for next to the inline AC fuse? where is the sub fan diode located?
- 13 replies
-
- 13 replies
-
been messing with the relays this morning, i think it's sorted out. I printed out the wire diagram and matched the wire colors. The switch pod seems fine, buttons OK. if it's electrical could it be the motor?
- 13 replies
-
the relays under the hood by the air filter. I've identified the AC relay, and the rad fan relay, there is a fuse block and one other relay I cant identify? can"t remember which one got hot, but when I got the car one was melted and the vents are stuck on defrost,
- 13 replies
-
Sandblasting alloys?
BlackBoot replied to dannycisneros's topic in Old Gen.: 80's GL/DL/XT/Loyales...
I got the spray at the hardware store, one can did 4 wheels. applied and waited, then washed off and dried and repeated. -
Help me save my 93 Loyale
BlackBoot replied to Pancake Pops's topic in Old Gen.: 80's GL/DL/XT/Loyales...
It's a Subaru Boxer engine, it is supposed to rev higher than other engines. People use the EA81 in aircraft at 7000 rpm all day. Giv'er gas, get up into that power band! -
Good to know! I had a bad fuel pump and with no junk yards having any locally, I asked the parts stores $$$$ hundreds for a little electric pump! soaked the old pump in acetone for a week and dissolved the varnish. done! lucky that time, now I have a spare just in case.
-
I could not find any locally, I picked through a bunch of old ones I had and selected what looked good, not very technical but all I had at the time, worked fine. I re checked the torque and re torqued after a test drive. still dunno where to get them in Canada.
-
Sealing Ea82 valve covers
BlackBoot replied to Skysm182's topic in Old Gen.: 80's GL/DL/XT/Loyales...
I have used a generic kit off eBay, no problems. just make sure the grooves for the gaskets are very clean and lubed to seal. be careful of evenly torquing the covers on, even pressure on the whole gasket, just ask a drummer about tuning a drum, tighten each bolt a little at a time and move around between them. and the vents for the valve covers is where i see the most oil leaks, usually just dirt and a bad seal. Clean it, lube it, clamp it.
