Discombobulated Posted March 12, 2014 Share Posted March 12, 2014 (edited) I have searched and found plenty of threads about cruise but one thread the pics had expired from photobucket:( I have an 87 gl with a full new kit I'm about to install when I get some time but I have no fsm or instructions. I was looking at the chiltons but not sure if it would give a diagram for the vaccum lines or the harness, I recently was at the junkyard and they had the cruise but it had already been picked apart to see where everything went. I have a pretty good idea where everything goes as far as the hardware it's just the vaccum lines I'm kinda lost at and knowing the exact location of the harness would be sweet too:) I will also take a lot of pics and make a thread on the install as I go, if the chiltons has the things I need I will buy one but I'm not sure if the afterthought cruise will even be in the book? Any help is always appreciated and thanks in advance:) Disco. Edited March 12, 2014 by Discombobulated Link to comment Share on other sites More sharing options...
Discombobulated Posted March 14, 2014 Author Share Posted March 14, 2014 (edited) Or might anyone know if the chiltons has a diagram of this. Also while I'm on the subject in the kit I bought is for a newer loyale so the steering wheel button is different, I have found a button for my wheel but it isn't in the greatest of shape. So if I were able to find a newer style wheel on the cheap would it fit on my 87 so I could use the new button?? Still not too familiar with my Suby so not sure on the difference between the two style wheels. Thanks in advance:) Disco. Edited March 14, 2014 by Discombobulated Link to comment Share on other sites More sharing options...
Gloyale Posted March 14, 2014 Share Posted March 14, 2014 So....I would like to help.....But the Dealer install cruise kits are not shown in the FSMs...I looked. The FSM has the factory type setup....which came on GL-10's and used an electric pump not engine vac. The kit you have I believe is made by Ford (FoMoCo). Should have a big ball canister, a valve assembly, a group of 4 or 5 wires into the cab, and the buttons for inside. I can tell you the VSS signal plugs into the "T" connector way up in the upper left corner of the Dash....Yellow/Red and Black wires. The Brake switch will need added.....clutch too if it's MT. Newer Set/Resume buttons can be mounted in the older wheels.(I've got an 88 button set on an 86 wheel)...or use the newer button, or use whatever steering wheel you want. You'll need to pull it anyhow to replace the single wire slip-ring with the 3 wire one in the kit. Lt. Green/red wire coming out of fusebox is 12V power to "cruise" switch on upper left dash. The kit should be setup to mostly plug and play. Link to comment Share on other sites More sharing options...
Discombobulated Posted March 15, 2014 Author Share Posted March 15, 2014 Sweet, I kinda figured it wasn't in the fsm:( I was kinda thinking the switch would work but it just doesn't look like it will fit at the correct angle, hmmm when I dive in I will look it over. I should be able to get it all together just figured I would ask for a diagram first . The more I look at it the easier it looks to install:) Sweet thanks for your help, I plan to take a bunch of pics and post a wonderful thread on the install for future members:) Thanks again!!!! Disco. Link to comment Share on other sites More sharing options...
neelie Posted March 15, 2014 Share Posted March 15, 2014 ?? Link to comment Share on other sites More sharing options...
Discombobulated Posted March 15, 2014 Author Share Posted March 15, 2014 Thanks guys!!! Link to comment Share on other sites More sharing options...
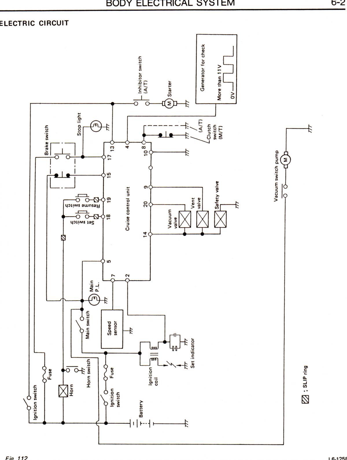
Gloyale Posted March 15, 2014 Share Posted March 15, 2014 (edited) ?? This could be helpful........but as I said......It shows the factory type that came on GL-10s........with an elecrical vac pump.... The system the OP Is trying to install is the Canister type run off the engine vacuum. But the diagrahm shows a good deal of the wiring. just there is no pump but a vacuum resevior. Edit.....I don't see a canister but it mentions it in the description.......so.......who the hell knows.....it's Chiltons. Edited March 15, 2014 by Gloyale Link to comment Share on other sites More sharing options...
Discombobulated Posted March 15, 2014 Author Share Posted March 15, 2014 10-4 Gloyale, some stuff kinda matches enough to give me an idea, I'm sure once digging in it will plug and play:) weird I'm really excited to have cruise and I never would have came close to going through so much hassle to have it but to find the kit new in the box local for 75 bucks... How could I pass it up:) Link to comment Share on other sites More sharing options...
rrgrr Posted April 5, 2014 Share Posted April 5, 2014 I am trying to figure this dealer installed cc and could use some help. Pedal switches are ok; the valve thingy on the pass strut tower seems to be holding pressure -it hisses if I pull the hose off. The pedal puller valve seems to have resistance as if it has good seal. Unclear where voltage might show in wiring when testing. Don't know where to go from here. Was the OP successful? Link to comment Share on other sites More sharing options...
Discombobulated Posted April 5, 2014 Author Share Posted April 5, 2014 I have not got the kit in yet, I just got done getting my deck and speakers in amongst other things but it is on the list possibly tomorrow (Sunday). I installed the switch just because I had the cluster out but I was kinda looking around at what I needed to do hoping I can figure it out without an actual diagram. Quite a few plugs under the dash that look the same, steering wheel switch is a no brainer and the underhood vaccum stuff looks easy too, just some of the harness plugs are all the same.. I was thinking of going to a dealer and just take a chance if they had an older tech that might still have the install stuff but I think I'm overthinking it:) I will post up some pics and whatever else that might come up here:) Link to comment Share on other sites More sharing options...
silverback Posted April 6, 2014 Share Posted April 6, 2014 (edited) Disco, I have several groups of drawings & text to post. First group is basic. The cruise control system that will be displayed is the type that uses an electric vacuum pump. More to follow................ Edited April 6, 2014 by silverback Link to comment Share on other sites More sharing options...
silverback Posted April 6, 2014 Share Posted April 6, 2014 Disco...........2nd group.......... More to come, Link to comment Share on other sites More sharing options...
silverback Posted April 6, 2014 Share Posted April 6, 2014 Disco, 3rd group......... More to come............. Link to comment Share on other sites More sharing options...
silverback Posted April 6, 2014 Share Posted April 6, 2014 Disco, last group Link to comment Share on other sites More sharing options...
rrgrr Posted April 6, 2014 Share Posted April 6, 2014 Thanks silverback- there is a ton of good info there. My 85 wagon's cc has no light, dash switch, or pump. Just the stalk control. Still unclear when/where voltage should be, or if the sensor needs to see speed to send signal to the vac switch, etc. Everything else (I can see) seems intact. Disco -I am standing by to learn something from this write-up:) Link to comment Share on other sites More sharing options...
Discombobulated Posted April 8, 2014 Author Share Posted April 8, 2014 (edited) Well I ended up getting the kit installed over the weekend unfortunately my phone took a crap and I had to get a new one so I was unable to take pics of it, BUT, the more I got into the install the more simple it was and pics wouldn't really do much good as it is very plug and play:) What I learned from the install that might help someone if pulling it from a junkyard car, The brain of the system will be located above the hood release lever. The harness is all one piece just unplug it all and this is all you need for the wiring. The vacuum actuator of course is mounted right by the gas pedal. And of course the vacuum stuff under the hood one system will have a big ball canister with the four wires going to the valve and the other is completely electric and is way smaller, but looks to me that the 4 wire set up is the same on both, but I think the turbos had the electric vacuum but not 100%. The three things that will be going out in the bay will be the tach wire, the vacuum line to the switch that is mounted on the passenger wheel well, and the 4 wires going to the vacuum switch. I was questioning where the tach wire plugged into but after searching it goes to the negative side of the coil:) If you have an automatic you will just need the one brake sensor and you will piggyback the grounds that would go to the clutch sensor, this kinda confused me for a minute but the plugs are made to chain together to complete the grounds. And of course you need the switch on the left side of the cluster and the steering wheel button which is really easy to get to but you will have to cut the horn part of the wheel to mount it. As for rrgrr this is the main switched power plug for my system I'm not sure though if the stalk system is anywhere near the same though?? Here is a pic of some of the other bits of the system after I got them installed.. The sensor on the left is the one I added the right one is the original sensor for the brakes. This is the vss plug for the speed sensor it just is hanging out of the factory harness, this one was the most hidden out of all of them. Here is a pic I took before I installed everything not sure if it might help anyone. I am also going to take some more pics of the underhood stuff and add info as I remember.. Edited April 8, 2014 by Discombobulated Link to comment Share on other sites More sharing options...
Discombobulated Posted April 8, 2014 Author Share Posted April 8, 2014 (edited) Please feel free to correct, add, or ask questions here as this topic from what I have searched has a lot of dead end threads. I will add some more stuff and the pages that silverback added will work wonderfully, any other pics you might need of anything else I will be more than happy to get them for you just let me know. But I guess after all this talking and I never said how it's working... It works great and was wonderful on my way to work today!!! I have never had cruise in any of my older cars and it was well worth the 75 bucks I spent, and after knowing how simple it really is if you find a junkyard car with it don't hesitate to pull it all out and upgrade. It really is a pretty simple system as they made it to be so they could install it quickly at the dealer, it took me most of the day but I tend to get pretty OCD on my routing and other things but I bet if I had a full kit to install again I could get it in in a couple hours or less. I am still going to hunt for a new steering wheel switch as the kit I bought came with the newer style wheel switch, so luckily I got one out of a yard car but the letters are worn off but the switch works fine, but my OCD is kicking in especially looking at a brand new switch:) So I might even go as far as finding a newer wheel to put the switch on but finding a newer wheel in pristine condition might be harder than an older style new switch. But the older switch has been discontinued so I don't know....but I have cruise yay Edited April 8, 2014 by Discombobulated Link to comment Share on other sites More sharing options...
rrgrr Posted April 8, 2014 Share Posted April 8, 2014 (edited) This is very helpful, thanks! Got a little head scratcher here -I've been testing everything and it seems like it will work. But -My clutch pedal switch seems to work opposite of the brake switch -and has no effect on the system when hooked up. (The brake switch connects when I press the pedal, the clutch switch breaks the signal.) In the harness coming from that clutch switch there is this dead end. Can you please tell me how this goes on yours? (The Black grounds at the hood latch) Edited April 8, 2014 by rrgrr Link to comment Share on other sites More sharing options...
Discombobulated Posted April 9, 2014 Author Share Posted April 9, 2014 (edited) Hmmmm, seems it would work the same, hit the brakes cruise goes off, push the clutch same thing? This came with the kit and I didn't use it? Thought it was part of the clutch side which I don't have so I linked the clutch wires with the brake wires so in the end I made the 2 grounds really 1 so the brake sensor grounds both, if that makes sense.. Edited April 9, 2014 by Discombobulated Link to comment Share on other sites More sharing options...
rrgrr Posted April 9, 2014 Share Posted April 9, 2014 That looks like the one. The side with no wire has green/yellow wire and has continuity with the other wires in the harness the same color. I don't know where these wires go or how/why/if they would reverse the switch function. Link to comment Share on other sites More sharing options...
Discombobulated Posted April 9, 2014 Author Share Posted April 9, 2014 (edited) Hmm, so when I was installing the kit I was confused on the brake and clutch wires, I plugged in that piece and it didn't really look like it did anything leaving the wire you have in the pic as the green and yellow was left open? Neutral safety for an auto maybe?. I am going to get under my dash again today or tomorrow and I will snap some more pics of the brake wires linked to the clutch grounds and maybe it will make more sense. Although I didn't think I needed that wire I have in the pic hell who knows maybe I do, but I think when added to a manual that needs to be added for the ground maybe the pedal housing isn't a good ground and this needs to be added.....or not I'm just guessing here:). I was also wondering what the vent output does? Not sure what a vent has anything to do with cruise:) Well this is all good info, more pics to come and let's get rrgrr working:) Edited April 9, 2014 by Discombobulated Link to comment Share on other sites More sharing options...
Gloyale Posted April 9, 2014 Share Posted April 9, 2014 (edited) This is very helpful, thanks! Got a little head scratcher here -I've been testing everything and it seems like it will work. But -My clutch pedal switch seems to work opposite of the brake switch -and has no effect on the system when hooked up. (The brake switch connects when I press the pedal, the clutch switch breaks the signal.) In the harness coming from that clutch switch there is this dead end. Can you please tell me how this goes on yours? (The Black grounds at the hood latch) There are seperate switches at each pedal...... Brakes: One is for brake light.......closes when pedal depressed.........operates light..........there should be a wire on the cruise unit to hook to this to power when the brake light is on. Then there is a seperate switch......that should be closed normally......and then open breaking the circuit when pedal is depressed. This is for the cruise......There should be 12v to one side when the main cruise "on" switch is pushed.....and it should go through the switch back to pin 16 If I am correct. Then if I'm not mistaken.....the clutch switch should be grounded until the clutch pushed in, opening the switch and ungrounding it. Pin 9 Vent output is to the cruise unit when you want to coast/ drop speed it powers on venting the canister. Edited April 9, 2014 by Gloyale Link to comment Share on other sites More sharing options...
rrgrr Posted April 9, 2014 Share Posted April 9, 2014 That all makes sense the way it is testing. Actually this cruise has it's own separate switch on the brake. This system has no main "on" switch -I think it is always 'on', waiting to be set. Is that (17 pin?) harness near/on the vss? I need to dig that out & test it, apparently. Link to comment Share on other sites More sharing options...
Gloyale Posted April 9, 2014 Share Posted April 9, 2014 That all makes sense the way it is testing. Actually this cruise has it's own separate switch on the brake. There are seperate switches at each pedal...... Then there is a seperate switch......that should be closed normally......and then open breaking the circuit when pedal is depressed. This is for the cruise......There should be 12v to one side when the main cruise "on" switch is pushed.....and it should go through the switch back to pin 16 If I am correct. I should have said 2 seperate switches at each pedal. Although, older GL models w/out starter interlock will only have one switch on the clutch. This system has no main "on" switch -I think it is always 'on', waiting to be set. Is that (17 pin?) harness near/on the vss? I need to dig that out & test it, apparently. If you dont have a cruise button on the left side of dash, you;ve got some oddball setup. rrgrr......perhaps start your own thread w/pics? I am getting very confused trying to help both of you in this thread......I am very familiar with these setups......retro ftited EJ cruise into my EJ swapped EA82 and EA81.......using EA buttons/switches..... but it's hard to keep track of both types int eh same thread. Link to comment Share on other sites More sharing options...
Discombobulated Posted April 9, 2014 Author Share Posted April 9, 2014 Whatever you guys feel like doing go for it I'm pretty much ok besides maybe posting more pics:) thanks for all the help though!!!!! Link to comment Share on other sites More sharing options...
Recommended Posts
Please sign in to comment
You will be able to leave a comment after signing in
Sign In Now